+7 (495) 777-17-71
info@tool-tech.ru
8 (800) 775 40 55
Звонок из регионов России
бесплатный!
бесплатный!
Профессиональный строительный инструмент и оборудование
Каталог инструментов
Промышленный нагреватель воздуха Forsthoff Model 3000
Промышленный нагреватель воздуха Forsthoff Model 3000 (Форстхофф Модель 3000) – термонагреватель, предназначенный для промышленного применения в различных технологических процессах для термоусадки, сушки поверхностей, формовки изделий из термопластов, полипропиленов и прочего; на конвейерах; в нагревательных каналах и т.д.
Производитель: FORSTHOFF (ФОРСТХОФФ) – Германия.
Преимущества промышленного нагревателя воздуха Forsthoff Model 3000:
- Требования к внешней подаче воздуха: 60 – 450 л/мин (в зависимости от сопла)
- Надежная, простая и жесткая конструкция с металлическим корпусом, без экрана термонагревателя, без регулятора мощности термонагревателя или прочей электроники
- Простая замена нагревательного элемента: необходимо отвернуть 4 болта и снять корпус нагревателя
- Предлагается с различными 2-х спиральными и 3-х спиральными нагревательными элементами с питанием от сети 230 В или 400 В, с различной мощностью спиралей. Внешние коммутации позволяют изменять совокупную мощность спиралей
- Конструкция и материалы рассчитаны на нагрев воздуха до температуры не выше 700°C. Очевидно, что температура воздуха на выходе из нагревателя определяется тремя величинами: совокупной мощностью спиралей нагревателя; начальной температурой воздуха; потоком воздуха. Например, если поток воздуха 220 л/мин, то 3-х киловаттный нагреватель нагреет его на ΔТ = 680°C. Это значит, что если температура воздуха на входе в нагреватель будет 20°C, то на выходе из нагревателя – 700°C. Таким образом, для 3-х киловаттного нагревателя минимально допустимый поток воздуха – 220 л/мин. При большем потоке температура воздуха на выходе из нагревателя будет ниже. При меньшем потоке нагревательный элемент быстро сгорит
- Устанавливаются любые сопла с посадочным Ø 50 мм (F4030, F4031 и F4021, F4022). Принимая во внимание стационарную установку термонагревателя, в первую очередь рекомендуются плоские щелевые сопла F4021 и F4022, предназначенные для равномерного термонагрева больших поверхностей
| Артикул | Напряжение | Мощность |
| F3052 | 230 В | 800 + 800 = 1600 Вт |
| F3053 | 230 В | 700 + 1200 = 1900 Вт |
| F3054 | 230 В | 800 + 1400 = 2200 Вт |
| F3055 | 230 В | 1100 + 1400 = 2500 Вт |
| – | 230 В | 1200 + 1800 = 3000 Вт |
| F3100 | 230 В | 3 × 600 = 1800 Вт |
| F3101 | 400 В | 3 × 600 = 1800 Вт |
| F3102 | 230 В | 3 × 800 = 2400 Вт |
| F3103 | 400 В | 3 × 800 = 2400 Вт |
| F3104 | 230 В | 3 × 1000 = 3000 Вт |
| F3105 | 400 В | 3 × 1000 = 3000 Вт |
| F3106 | 230 В | 3 × 1200 = 3600 Вт |
| F3107 | 400 В | 3 × 1200 = 3600 Вт |
| Изображение | Артикул | Наименование |
| F4030 | Плоское щелевое сопло 70 × 10 мм | |
| F4031 | Плоское щелевое сопло 70 × 4 мм | |
| F4021 | Щелевое сопло 150 × 1 мм | |
| F4022 | Щелевое сопло 150 × 10 мм |
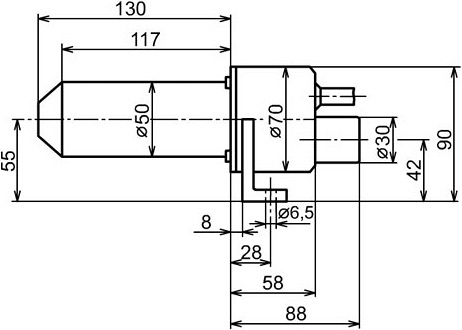
Цена и технические характеристики промышленного нагревателя воздуха Forsthoff Model 3000:
Технический паяльный фен
-
Алмазные коронки по железобетону Kern Diamond Bit Concrete Premium 280 ммДиаметр: 280 ммРабочая длина: 450 ммЦена: 40 200 руб.
-
Алмазные коронки по железобетону Kern Diamond Bit Concrete Premium 800 ммДиаметр: 800 ммРабочая длина: 450 ммЦена: по запросу
-
Набор роликов для накатки желобков 2-3, 3 1/2-6, 8-12, 14-16 желобонакатчика GruvMaster RG-6X (2-16)Внутренний диаметр труб: 2" - 16"Модель желобонакатчика: RG-6XЦена: 168 000 руб.
-
Алмазная коронка для сухого бурения с микроударом Адель Diamond Hit DH-D400 32 ммДиаметр: 32 ммРабочая длина: 450 ммЦена: 5 200 руб.
-
Алмазная коронка для сухого бурения с микроударом Адель Diamond Hit DH-D400 32 ммДиаметр: 32 ммРабочая длина: 450 ммЦена: 5 200 руб.
-
Алмазная коронка для сухого бурения с микроударом Адель Diamond Hit DH-D400 30 ммДиаметр: 30 ммРабочая длина: 450 ммЦена: 5 200 руб.
-
Алмазная коронка для сухого бурения с микроударом Адель Diamond Hit DH-D400 52 ммДиаметр: 52 ммРабочая длина: 450 ммЦена: 6 200 руб.
-
Желобонакатный станок Remmers Mustang 1-8Диаметр труб: 1" - 8" (25,4 - 203,2 мм)Мощность: 0,9 кВтЦена: 208 000 руб.
Новости
-
26.11.2025Новые поступления для серьёзной работы: спираль и адаптер от Crocodile
-
21.11.2024Поступление желобонакатчиков GruvMaster - Новинка на Российском рынке!
-
27.12.2023С новым 2024 годом!
-
20.12.2022Режим работы в Новогодние праздники
-
12.10.2022ФСБ сообщила о попытке теракта с ПЗРК «Игла» в Подмосковье




Отзывы
Оставьте Ваш отзыв